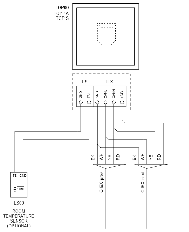
wiki:02_hiq-hotel:01_grms:01_installations:01.tgp
Graphical Touch Panel
The Graphic Touch Panel (TGP) is typically mounted in an accessible location within the room. The recommended mounting height is 140 to 150 cm from the floor.
It enables:
- Easy access to the mobile WEB application for room management
- Management of “Do Not Disturb” (DND) and “Make Up Room” (MUR) functions
- Quick adjustment of lights and shades using scenes
- HVAC system control
- Alarm clock functionality with an integrated wake-up scene
- Doorbell functionality
- Local signaling and resetting of SOS calls
- Fire alarm signaling
Downloads:
wiki/02_hiq-hotel/01_grms/01_installations/01.tgp.txt · Last modified: by goran.kocjancic

