wiki:02_hiq-hotel:01_grms:01_installations:00.distribution_box
This is an old revision of the document!
Table of Contents
Distribution Box
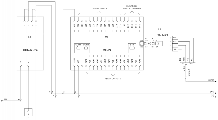
Typically, there is one distribution box in each room. Each box is supplied with an adequate power feed and an Ethernet connection to the control LAN.
The enclosure houses all protective devices (RCDs, circuit breakers) and DIN-rail-mounted control gear.
Control system wiring
Wiring of additional DIN rail modules
wiki/02_hiq-hotel/01_grms/01_installations/00.distribution_box.1774011315.txt.gz · Last modified: by goran.kocjancic



