Table of Contents
Distribution Box
Typically, there is one distribution box in each room. Each box is supplied with an adequate power feed and an Ethernet connection to the control LAN.
The enclosure houses all protective devices (RCDs, circuit breakers) and DIN-rail-mounted control gear.
In addition to the terminal blocks for N (XN) and PE (XPE), it is recommended to also install terminal blocks for + and - 24 VDC (X+ and X-).
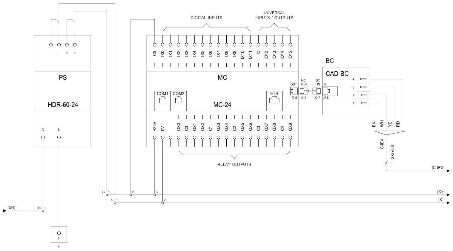
Control system wiring
Wiring of additional DIN rail modules
The DIN rail modules are interconnected using short DB9-to-DB9 cables, which are included with all DIN rail modules. If the modules are not located on the same DIN rail, longer DB9-to-DB9 cables (CAD-P1..3) can be ordered separately.
The CAD-BC module, which enables easy connection of field modules (using cable connection), must be the last one in the line of DIN rail modules.
Downloads:



