components:el-b
Table of Contents
EL-B
Electromechanical strike lock, basic
General Description
The EL-B is a compact electric strike, reversible flush-mounted electric strike designed for secure door access control, featuring adjustable jaw flexibility and compatibility with various AC/DC voltage ranges for reliable operation in diverse environments.
Technical Specifications
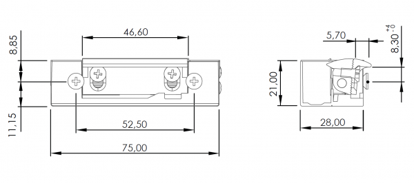
| Installation | Flush |
| Reversible | Yes |
| Height | 75 mm |
| Width | 21 mm |
| Depth | 28 mm |
| Jaw Depth | 5.70 mm |
| Flex Jaw Adjustment | +4 -0 mm |
| Tested Cycles | 200,000 |
| Temperature Working Range | -25°C to 50°C |
| Breaking Resistance | 3,300 N |
Electromechanical data
| Voltage Range (V) | Functioning | Coil Resistance (Ω) | Electric Duty Cycle (%ED) | AC Current Consumption (mA) | DC Current Consumption (mA) | Maximum Preload Open AC | Maximum Preload Open DC |
| 24 (424) DC | Fail Secure | 132 | 100% ED 24 VDC | - | 200 | - | - |
| 24 (524) DC | Fail Secure | 240 | 100% ED 24 VDC | - | 110 | - | - |
Coil tolerance: ±5%
Dimensions
Electric and monitored Connections
Electric connections
- Electric strikes work usually without polarity. A diode can be installed to work with polarity
Installation instructions
Generic installation
- Before starting connection, please check the electrical features as well as the voltage and the current strenght of the power supply.
- Follow the manual and connect the cable as indicated on the diagram.
- Fit in the electric strike on the plate using screws.
- Fit in the assembly electric strike and plate to the door frame using screws.
- Adjust if it is necessary flex system.
- Use the electric strike.
Caution
Electric strike could be damaged in some wrong using conditions:
- Voltage is higher than rated. Check voltage output before installation.
- Do not oil or lubricate the electric strike, this could damage internal parts.
- Paint, dirty or wet may aect to the electric strike functions
Manufacturer Documentation
Official manufacturer manual (PDF): electric_strikes_45nf_-_tech_data.pdf
components/el-b.txt · Last modified: by goran.kocjancic




